Product Summary
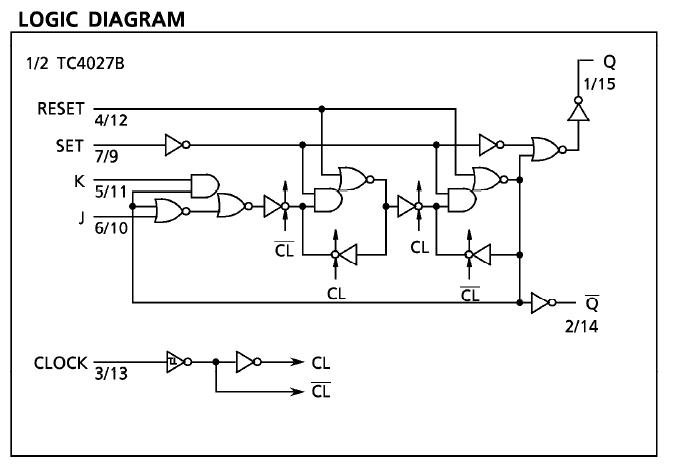
The TC4027BF is a J-K master-slave flip-flop having RESET and SET functions. In the case of J-K made, when the clock input is given with both RESET and SET at "L", the output changes at rising edge of the clock according to the states of J and K. When SET input is placed at "H", and RESET input is placed at "L", outputs become Q = "H", and Q = "L". When RESET input of TC4027BF is placed at "H", and SET input is placed at "L", outputs become Q = "L", and Q = "H". When both of RESET input and SET input are at "H", outputs become Q = "H" and Q = "H".
Parametrics
TC4027BF absolute maximum ratings: (1)DC supply voltage: VSS - 0.5~VSS + 20 V; (2)Input voltage: VSS - 0.5~VDD + 0.5 V; (3)Output voltage: VSS - 0.5~VDD + 0.5 V; (4)DC input current: ±10 mA ; (5)Power dissipation: 300 (DIP)/180 (SOIC) mW; (6)Operating temperature range: -40~85 ℃; (7)Storage temperature range: -65~150 ℃.
Features
TC4027BF electrical characteristics: (1)high-level output voltage: 4.95 V min; (2)low-level output voltage: 0.05 V max; (3)output high current: -0.61 mA min at VOH=4.6 V; (4)output low current: 0.61 mA min at VOL=0.4 V; (5)input high voltage: 3.5V min at VOUT=0.5V, 4.5V; (6)input low voltage: 1.5V max at VOUT=0.5V.
Diagrams

| Image | Part No | Mfg | Description | ![]() |
Pricing (USD) |
Quantity | ||||
|---|---|---|---|---|---|---|---|---|---|---|
![]() |
![]() TC4027BF |
![]() Other |
![]() |
![]() Data Sheet |
![]() Negotiable |
|
||||
![]() |
![]() TC4027BFN |
![]() Other |
![]() |
![]() Data Sheet |
![]() Negotiable |
|
||||
(Hong Kong)









