Product Summary
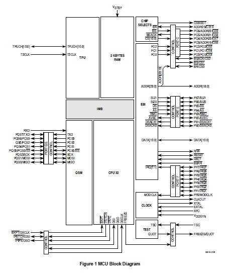
The MC68332ACFC20 is a highly-integrated 32-bit microcontroller, which combines high-performance data manipulation capabilities with powerful peripheral subsystems. The MC68332ACFC20 is built up from standard modules that interface through a common intermodule bus (IMB). Standardization facilitates rapid development of devices tailored for specific applications.
Parametrics
MC68332ACFC20 specifications: (1)Vendor: Freescale Semiconductor ; (2)Category: Integrated Circuits (ICs) ; (3)RAM Size: 2K x 8 ; (4)Number of I /O: 15 ; (5)Package / Case: 132-BQFP Bumpered ; (6)Speed: 20MHz ; (7)Oscillator Type: Internal ; (8)Packaging: Tray ; (9)Program Memory Type: ROMless ; (10)Core Processor: CPU32 ; (11)Core Size: 32-Bit ; (12)Operating Temperature: -40℃ ~ 85℃; (13)Connectivity: EBI/EMI, SCI, SPI, UART/USART ; (14)Peripherals: POR, PWM, WDT ; (15)Voltage - Supply (Vcc/Vdd): 4.5 V ~ 5.5 V ; (16)Lead Free Status: Contains Lead ; (17)RoHS Status: RoHS Non-Compliant ; (18)Other Names: MC68332ACFC20, MC68332ACFC20.
Features
MC68332ACFC20 features: (1)Central Processing Unit (CPU32): 32-Bit Architecture; Virtual Memory Implementation; Table Lookup and Interpolate Instruction; Improved Exception Handling for Controller Applications; High-Level Language Support; Background Debugging Mode; Fully Static Operation; (2)System Integration Module (SIM): External Bus Support; Programmable Chip-Select Outputs; System Protection Logic; Watchdog Timer, Clock Monitor, and Bus Monitor; Two 8-Bit Dual Function Input/Output Ports; One 7-Bit Dual Function Output Port; Phase-Locked Loop (PLL) Clock System; (3)Time Processor Unit (TPU): Dedicated Microengine Operating Independently of CPU32; 16 Independent, Programmable Channels and Pins; Any Channel can Perform any Time Function; Two Timer Count Registers with Programmable Prescalers; Selectable Channel Priority Levels.
Diagrams

| Image | Part No | Mfg | Description | ![]() |
Pricing (USD) |
Quantity | ||||||
|---|---|---|---|---|---|---|---|---|---|---|---|---|
![]() |
![]() MC68332ACFC20 |
![]() |
![]() IC MCU 32BIT 20MHZ 132-PQFP |
![]() Data Sheet |
![]()
|
|
||||||
![]() |
![]() MC68332ACFC20B1 |
![]() |
![]() IC MCU 32BIT 20MHZ 132-PQFP |
![]() Data Sheet |
![]() Negotiable |
|
||||||
(Hong Kong)









