Product Summary
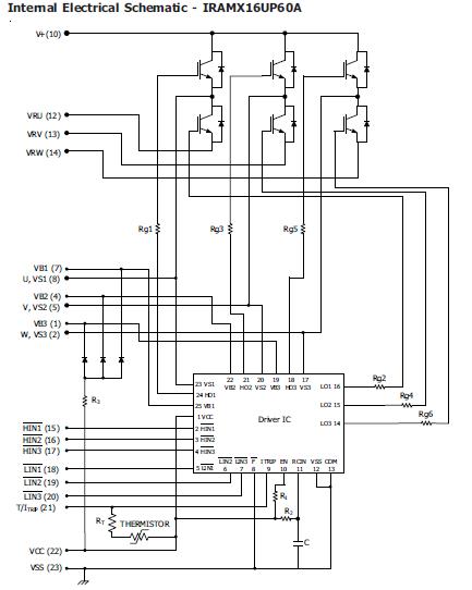
The IRAMX16UP60A-2 is an Integrated Power Module. The IRAMX16UP60A-2 is developed and optimized for electronic motor control in appliance applications such as washing machines and variable speed compressor drives for in-room air-conditioning systems and commercial refrigerators. Plug N Drive technology offers an extremely compact, high performance AC motor-driver in a single isolated package for a very simple design. An open emitter configuration of the IRAMX16UP60A-2 low side IGBT switches offer easy current feedback and overcurrent monitor for high precision and reliable control. A built-in temperature monitor and over-urrent protection, along with the short-circuit rated IGBTs and integrated under-voltage lockout function, deliver high level of protection and fail-safe operation. The integration of the bootstrap diodes for the high-side driver section, and the single polarity power supply required to drive the internal circuitry, simplify the utilization of the module and deliver further cost reduction advantages.
Parametrics
IRAMX16UP60A-2 absolute maximum ratings: (1)VCES / VRRM, IGBT/Diode Blocking Voltage: 600V; (2)V+, Positive Bus Input Voltage: 450V; (3)IO @ TC=25℃, RMS Phase Curren: 16A; (4)IO @ TC=100℃, RMS Phase Current: 8A; (5)IO, Pulsed RMS Phase Current: 30A; (6)FPWM, PWM Carrier Frequency: 20 kHz; (7)PD, Power dissipation per IGBT @ TC =25℃: 31 W; (8)VISO, Isolation Voltage (1min): 2000 VRMS; (9)TJ (IGBT & Diodes), Operating Junction temperature Range: -40 to +150℃; (10)TJ (Driver IC), Operating Junction temperature Range: -40 to +150℃; (11)T, Mounting torque Range (M3 screw): 0.5 to 1.0 Nm.
Features
IRAMX16UP60A-2 features: (1)Integrated Gate Drivers and Bootstrap Diodes; (2)Temperature Monitor; (3)Temperature and Overcurrent shutdown; (4)Fully Isolated Package.; (5)Low VCE (on) Non Punch Through IGBT Technology; (6)Undervoltage lockout for all channels; (7)Matched propagation delay for all channels; (8)Low side IGBT emitter pins for current control; (9)Schmitt-triggered input logic; (10)Cross-conduction prevention logic; (11)Lower di/dt gate driver for better noise immunity; (12)Motor Power range 0.75~2kW / 85~253 Vac; (13)Isolation 2000VRMS min.
Diagrams

| Image | Part No | Mfg | Description | ![]() |
Pricing (USD) |
Quantity | ||||||||||||
|---|---|---|---|---|---|---|---|---|---|---|---|---|---|---|---|---|---|---|
![]() |
![]() IRAMX16UP60A-2 |
![]() International Rectifier |
![]() Motor / Motion / Ignition Controllers & Drivers |
![]() Data Sheet |
![]()
|
|
||||||||||||
| Image | Part No | Mfg | Description | ![]() |
Pricing (USD) |
Quantity | ||||||||||||
![]() |
![]() IRAM136-0461G |
![]() Other |
![]() |
![]() Data Sheet |
![]() Negotiable |
|
||||||||||||
![]() |
![]() IRAM136-0760A |
![]() International Rectifier |
![]() Motor / Motion / Ignition Controllers & Drivers |
![]() Data Sheet |
![]()
|
|
||||||||||||
![]() |
![]() IRAM136-1060A |
![]() International Rectifier |
![]() Motor / Motion / Ignition Controllers & Drivers |
![]() Data Sheet |
![]()
|
|
||||||||||||
![]() |
![]() IRAM136-1060B |
![]() International Rectifier |
![]() Motor / Motion / Ignition Controllers & Drivers |
![]() Data Sheet |
![]()
|
|
||||||||||||
![]() |
![]() IRAM136-1061A |
![]() International Rectifier |
![]() Motor / Motion / Ignition Controllers & Drivers Multichip Modules |
![]() Data Sheet |
![]()
|
|
||||||||||||
![]() |
![]() IRAM136-1061A2 |
![]() International Rectifier |
![]() Motor / Motion / Ignition Controllers & Drivers |
![]() Data Sheet |
![]()
|
|
||||||||||||
(Hong Kong)










