Product Summary
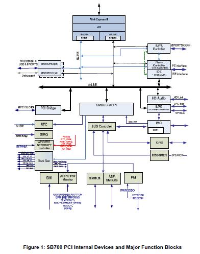
The 218S7EBLA12FG is a Southbridge. The 218S7EBLA12FG integrates the key I/O, communications, and audio features required in a state-ofthe-art PC into a single device. The 218S7EBLA12FG is specifically designed to operate with RADEON IGP Xpress family of integrated graphics processor products in both desktop and mobile PCs.
Features
218S7EBLA12FG features: (1)Supports 5 OHCI controllers (Bus 0 Dev 12h Fn 0, 1, Bus 0 Dev 13h Fn 0, 1, Bus 0 Dev 14h Fun 5) & 2 EHCI controllers (Bus 0 Dev 12h Fn 2, Bus 0 Dev 13h Fn 2); (2)SATA controller supports upto 6 ports; (3)allows the user to configure the SATA controller to work in-conjunction with the PATA controller to provide configurations that cannot be supported with SATA controller alone. This feature is referred as Combined Mode; (4)Supports internal clock; (5)Does not support these legacy audio/modem controllers; (6)Supports Integrated Micro Controller Alternate software interface to PMIO and legacy registers; (7)Use MMIO instead of IO CD6/CD7 and other legacy IO addresses; (8)SMBUS IO base address should be programmed at offset 90h in Smbus Controller (Bus 0 Device 14h Func 0). Offset 10h in Smbus controller is no longer used.
Diagrams

![]() |
![]() 218S6ECLA21FG |
![]() Other |
![]() |
![]() Data Sheet |
![]() Negotiable |
|
||||
![]() |
![]() 218SMTDIP |
![]() Other |
![]() |
![]() Data Sheet |
![]() Negotiable |
|
||||
(Hong Kong)








