Product Summary
The BLF861A is a Silicon Nchannel enhancement mode lateral DMOS push-pull transistor.
Parametrics
BLF861A maximum ratings: (1)ID: 18 A; (2)VDS: 65 V; (3)VGS: ±15 V; (4)PDISS: 318 W @ TC = 25 ℃; (5)TJ: -65 ℃ to +200 ℃; (6)TSTG: -65 ℃ to +150 ℃; (7)θJC: 0.55 ℃/W.
Features
BLF861A features: (1)Internal input-output matching; (2)Omnigol TM Metalization System.
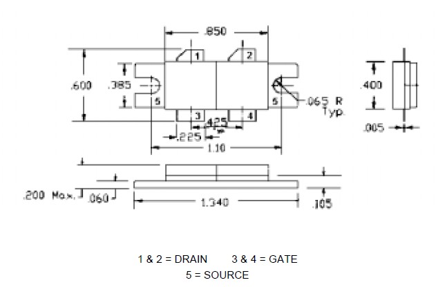
Diagrams

| Image | Part No | Mfg | Description | ![]() |
Pricing (USD) |
Quantity | ||||||||||
|---|---|---|---|---|---|---|---|---|---|---|---|---|---|---|---|---|
![]() |
![]() BLF861A,112 |
![]() NXP Semiconductors |
![]() Transistors RF MOSFET Power RF LDMOS 150W UHF |
![]() Data Sheet |
![]()
|
|
||||||||||
![]() |
![]() BLF861A |
![]() Advanced Semiconductor, Inc. |
![]() Transistors RF MOSFET Power RF Transistor |
![]() Data Sheet |
![]()
|
|
||||||||||
(Hong Kong)










