Product Summary
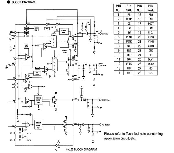
The BD8160EFV is a main power supply for TFT-LCD display module.
Parametrics
BD8160EFV absolute maximum ratings: (1)supply voltage, SUP, VIN: 20V; (2)power dissipation, Pd: 1450mW; (3)operating temperature range, Topr: -40 to 85℃; (4)storage temperature range, Tstg: -55 to 150℃; (5)junction temperature, Tjmax: 150℃; (6)SW voltage, VSW: 21V; (7)SWB voltage, VSWB: 19V; (8)EN1, EN2, FREQ voltage: VBN1, VBN2, VFREQ: 19V.
Features
BD8160EFV features: (1)boost and buck DC/DC converter; (2)built-in +/- charge pump driver.
Diagrams

![]() |
![]() BD810 |
![]() ON Semiconductor |
![]() Transistors Bipolar (BJT) 10A 80V 90W PNP |
![]() Data Sheet |
![]() Negotiable |
|
||||||||||||
![]() |
![]() BD8105FV-E2 |
![]() ROHM Semiconductor |
![]() LED Lighting Drivers LED DRIVER |
![]() Data Sheet |
![]()
|
|
||||||||||||
![]() |
![]() BD8108FM-E2 |
![]() |
![]() IC LED DRIVER AUTO 4X150MA |
![]() Data Sheet |
![]()
|
|
||||||||||||
![]() |
![]() BD810G |
![]() ON Semiconductor |
![]() Transistors Bipolar (BJT) 10A 80V 90W PNP |
![]() Data Sheet |
![]()
|
|
||||||||||||
![]() |
![]() BD8112EFV-ME2 |
![]() ROHM Semiconductor |
![]() LED Lighting Drivers Auto Grade LED Drvr w/xtrnl Step up/down |
![]() Data Sheet |
![]()
|
|
||||||||||||
![]() |
![]() BD8113EFV-E2 |
![]() |
![]() IC WHITE LED DVR BKLT 24HTSSOP |
![]() Data Sheet |
![]()
|
|
||||||||||||
(Hong Kong)












